BR(天然木)シリーズ 室内用

設計・施工をスムーズに。
必要なデータを今すぐダウンロード!

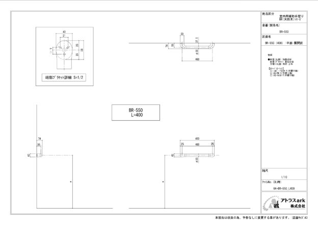
BR-550_L400 I型補助手すり(握りバー)(L=400)

三面展開図

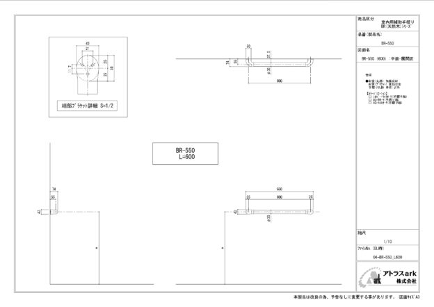
BR-550_L600 I型補助手すり(握りバー)(L=600)

三面展開図

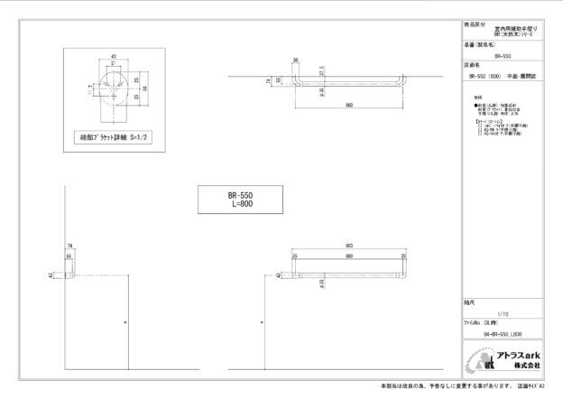
BR-550_L800 I型補助手すり(握りバー)(L=800) 

三面展開図

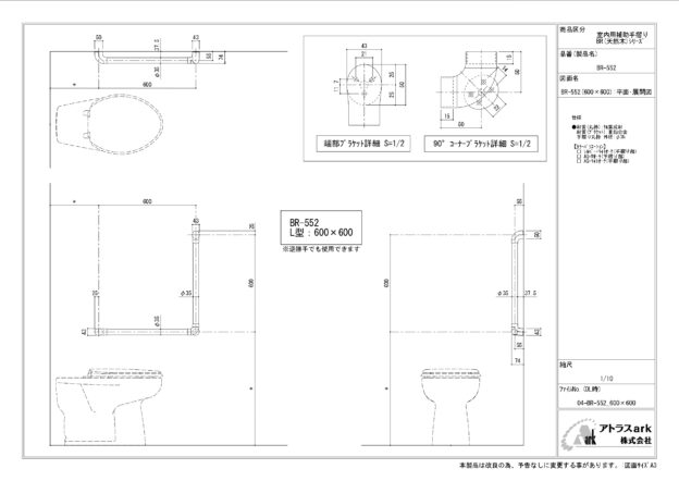
BR-552_600×600 L型補助手すり:BR-552(600×600)

三面展開図

syosai_BR-550_552 補助手すり

取付施工例

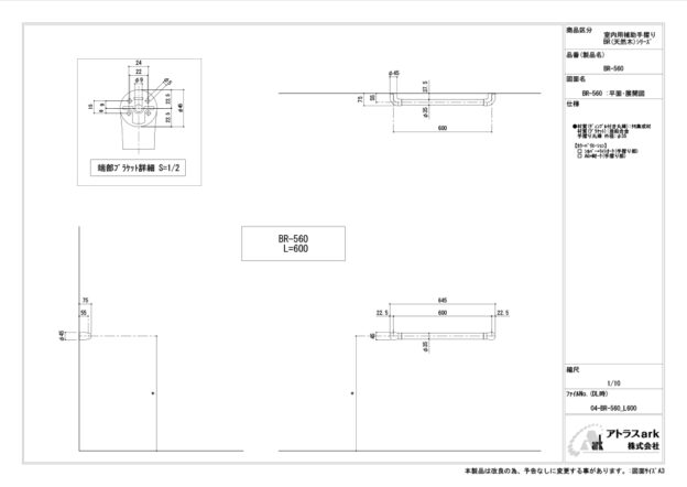
BR-560_L600 I型補助手すり(ディンプル付き)(L=600)

三面展開図

syosai-BR-560 I型補助手すり(ディンプル付き)(L=600)

端部取付施工例