パームメイト(丸型手摺り・天然木素材)

設計・施工をスムーズに。
必要なデータを今すぐダウンロード!

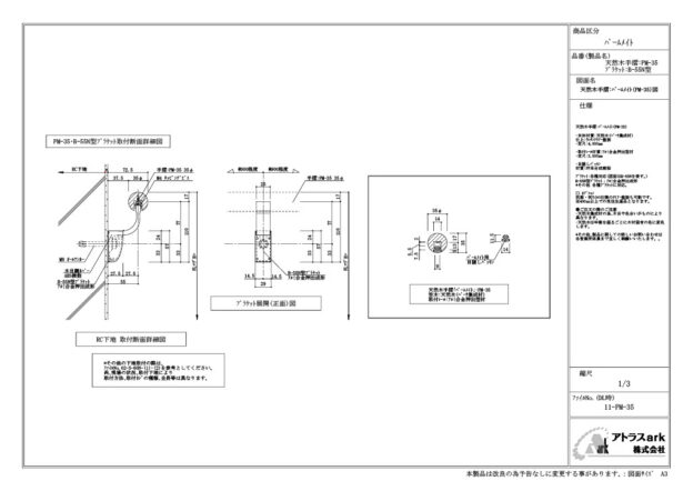
PM-35_B-55N パームメイト(φ35) B-55Nブラケット取付

取付断面図、展開図

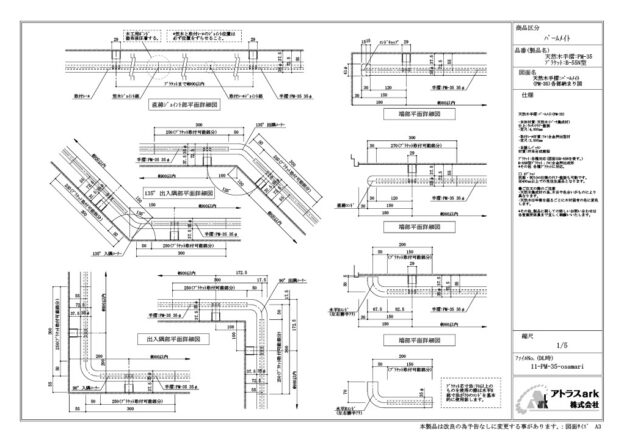
PM-35-osamari_B-55N パームメイト(φ35) 納まり

直線ジョイント部・出入隅部・端部 平面詳細図

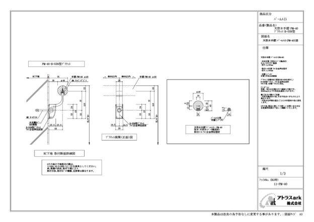
PM-40_B-55N パームメイト(φ40) B-55Nブラケット取付

取付断面図、展開図

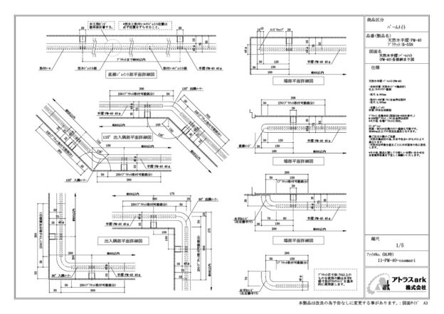
PM-40-osamari_B-55N パームメイト(φ40) 納まり

直線ジョイント部・出入隅部・端部 平面詳細図